





1、操作工艺
(1)电伴热带应按管道长度分布,以免物料在无电伴热带处降温凝结,电伴热带的长度应长于被伴热管道。安装时应校验所用电伴热带长度(包括并联的各分支总长度),是否超过设计长度或允许的最大使用长度。
(2)施放电加热电缆时不要打硬折或长距离在地面拖拉。敷设时应尽可能使电伴热带平整地紧贴在管道或容器表面,用聚酯带或铝箔胶带固定,严禁用细丝捆扎,胶带间距小于30mm,如遇法兰,阀门等尖锐突起部分,应注意保护。
(3)电热带最小弯曲半径应不小于其厚度五倍。安装电热带附件时,应将电热带留有一定富裕量,以使下次检修重复使用。
(4)在水平管道上安装时,可敷设在管道下部45°处,电伴热带安装时允许多次交叉重叠,但尽可能减少扭曲,特别是在冬季寒冷条件下。为强化传热效果,可在电伴热带的外面粘贴一层铝箔胶带,在容器上安装时,电伴热带应缠绕在容器的中下部,通常不超过2/3。
(5)电伴热带一般应安装在管道的侧面或下方,用铝胶带粘贴安装,施工时边敷设电伴热带边覆盖铝胶带,用力压平,使电伴热带紧贴在管道上。在粘贴铝胶带后,再每隔0.6m用耐热胶带将电伴热带沿径向将其缠绕固定,使电伴热带与被伴热管道贴紧,以提高伴热效率。
(6)缠绕方法应尽可能使散热体必要时随时可拆除进行维修,或更换而不损坏电伴热带或影响其它线路;在使用二通或三通配件处,电伴热带各端应预留40cm长度。
(7)安装完成后,应对每根电伴热带进行绝缘测试,电伴热带线芯与管道或容器间的电阻不得小于20MΩ,否则应找出原因后再接电源和保温,此测试应多次进行,特别是在有可能损坏电伴热带的情况下,如在未做保温而施工人员又长时间离开现场,保温做好后,也要重复测试,确认保温时未损坏绝缘。测试结果应记录备查。
2、电气连接
首先应认真阅读、掌握接线盒内的产品说明书上“操作步骤和要求”。再次应检查各分电源线的截面应略大于电伴热带的线芯截面,总电源线应能承载电伴热带总和在最低环境温度的总电流,每根电伴热带应有自己的开关,熔断器或单极断路器。在剥电热线芯时,应避免断股减小截面,引起过载。
(1)配件安装:按设计图要求选用配件;所采用密封圈需与电伴热带相配并和防水封胶结合;供电接线盒尽可能接近管道线路供电端,按配件安装说明书准备线口;每一线端应预留一小段电伴热带以便将来维修时用。
(2)电伴热带与电源盒的连接:在易燃易爆场合,必须采用配套的防爆电源接线盒,一般场合可直接将电伴热带接至闸刀开关上,也可将导线绞接或焊接后用快干硅胶和热缩套管密封,绞接处不得短于30mm,焊接处不得短于10mm。
(3)电伴热带的分叉:在易燃易爆场合必须采用配套的防爆T型接线盒,一般场合也可采用绞接或焊接。
(4)电热带的接长:在易燃易爆场合必须采用配套 的防爆直型接线盒,一般场合也可采用绞接或焊接。接 长时请注意不得超过最大使用长度。
(5)终端:在易燃易爆场合必须采用配套的终端密 封盒,一般场合也可采用快干硅胶和热缩套管密封。任何情况下均严格禁止将尾部线芯连接!
(6)电源接线盒、T型、直型接线盒、终端均可用卡箍或尼龙扎带紧固在管道上,盒内的防水胶垫不得遗漏,盒内接线处应用快干硅胶防水。做保温时应将接线盒置于保温层内,但必须在保温层外留下相应的标记。
(7)接线时,必须保证电伴热带与各电气附件正确可靠地连接,严禁短路,并有足够的电气间隙,对于并联式电伴热带,线头部位的电热丝要尽可能地剪短,并嵌入内外层护套之间,严禁与其编织层芯线相碰,以防漏电或短路。
多根电伴热线的分支应在分线盒内连接,在伴热线接头处及伴热线末端应涂刷专用密封材料。
3、安装时特别注意的事项
(1)严禁蒸汽伴热和电伴热混用于一体。
(2)加热带安装时不得将绝缘层破坏,应紧贴于被加热体以提高热效率,若被伴热体为非金属体,应用铝粘胶带增大接触传热面积,用尼龙扎带固定,严禁用金属丝绑扎。
(3)法兰处介质易泄漏,缠绕电伴热带时应避开其正下方。
(4)电伴热带一端接入电源,另一端线芯严禁短接或与导电物质接触并剪切为“V”型,必须使用配套的封头严密套封。
(5)防火防爆场合应配套防爆接线盒和终端子。接线后应用硅橡胶密封:(使用屏蔽层的电伴热带终端处必须将屏蔽层剥离100mm,以防造成短路)。
(6)安装一个伴热点,测量一次绝缘,屏蔽层必须接地,绝缘阻值不能低于20MΩ/1000V。按电伴热各路的电压、电流等参数设定通、断电和漏电保护装置。
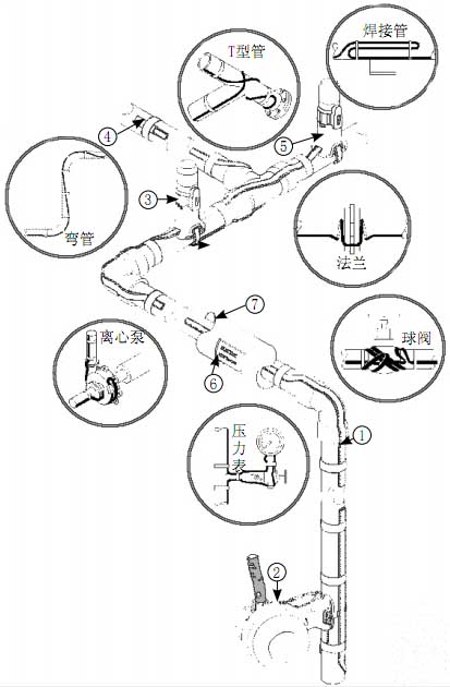
4、系统安装示意:管道、阀门电伴热带安装见图1、图2。
图1 管道、阀门电伴热带安装示意图

图2 管道、阀门电伴热带安装节点示意图
①伴热带;②电源接线盒;③三通盒;④耐热粘胶带;⑤终端盒;⑥标签;⑦保温层。
电子计算机(包括DCS系统)用对绞屏蔽控制电缆
塑料绝缘和护套控制电缆规格型号大全
钢芯铝绞线技术参数介绍
UG/UGF6000V高压橡套电缆
电力电缆型号规格及性能参数
电缆的屏蔽解决方案
YGCP,YGZP系列屏蔽硅橡胶高温电缆
JBQ,JBF,JBHF电机引接线
阻燃控制电缆型号名称
FXL/FXLP飞机用低压腊克线
FDEF,FDES,FDGG,FDGU,FDEU,FDEG,FDEH风力电缆,风力发电用(耐寒)耐扭曲软电缆
UGEFP,UGEFHP盾构机电缆
热电偶用(耐高温/阻燃)补偿导线(电缆 )
拖曳电缆结构图
YVFBG,YVFBPG,YFFBG,YFFBPG扁平移动加钢丝抗拉软电缆
NH-KVV耐火控制电缆价格 。