





|
一、概述:
SWP-X80闪光报警控制仪,SWP-LED系列闪光报警控制仪可与各种SWP系列控制仪表或其他接点式控制检测仪表配套使用。可同时检测八路输入信号,八路信号均采用大规模、高亮度数码管分别显示各通道的当前状态值。 SWP-X80闪光报警控制仪,闪光报警控制仪的输入信号可选择接点式开路报警、接点式闭路报警或TTL电平。具有多种报警控制输出方式,可自由选择闪光报警、声音报警、继电器报警触点控制输出及带报警记忆或不带报警记忆功能。 |
|||||||||||||||||||||||||||||||||||||||||||||||||||||||||||||||||||||||||||||||||||||||||||||||||
|
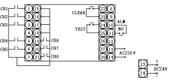
二、仪表外形及接线图(以下为基本配线方式,特殊订货请参见随机接线图):
|
|||||||||||||||||||||||||||||||||||||||||||||||||||||||||||||||||||||||||||||||||||||||||||||||||
|
|||||||||||||||||||||||||||||||||||||||||||||||||||||||||||||||||||||||||||||||||||||||||||||||||
|
三、SWP系列闪光报警控制仪型谱表:
|
|||||||||||||||||||||||||||||||||||||||||||||||||||||||||||||||||||||||||||||||||||||||||||||||||
|
|||||||||||||||||||||||||||||||||||||||||||||||||||||||||||||||||||||||||||||||||||||||||||||||||
|
★ 平面LED指示的闪光报警器无通讯,无开关电源供电方式。
|
|||||||||||||||||||||||||||||||||||||||||||||||||||||||||||||||||||||||||||||||||||||||||||||||||
|
★ 型号举例:
①SWP-X803-D-A-P-W(发光管式指示) 接点式闭路报警,DC24V馈电输出,DC24V供电,发光管式指示。 ②SWP-X803-8N-B-P-T(数字式指示) 通讯方式RS485,接点式开路报警,DC24V馈电输出,AC90~265V供电,数字式指示。 |
|||||||||||||||||||||||||||||||||||||||||||||||||||||||||||||||||||||||||||||||||||||||||||||||||